Sight Wiring Diagrams

Items Needed

Aside from what’s included in the Sight package, users will need to provide a 802.3at PoE+ (30W) power source (either via an 802.3at PoE+ injector or a 802.3at PoE+ network switch port) and CAT6A SFTP/SSTP (shielded) cable or above cabling. The Sight dongle, included in the package, is needed for installation.

  1. Sight host dongle (included).

  2. CAT6A SFTP/SSTP (shielded) cable or above cabling, up to 40m: user supplied.

    • Note: in a dual Sight deployment, two such cables are required. The connection from the Sight host dongle to the 1st Sight may be up to 40m. The connection from the 1st Sight to the 2nd Sight may be up to 20m.

  3. Power over Ethernet+ source: user supplied.

    • 802.3at Type 2 PoE+ (30W), either an injector or a network switch port

      • Not all network switch ports are configured to supply PoE+ power. If unsure, contact your network administrator. Your network administrator may need to modify switch configuration to force 802.3at PoE+ (30W) power delivery.

    • Note: in a dual Sight deployment, each Sight device needs its own independent 802.3at PoE+ power supply.  Do not use PoE splitters.

  4. Mic Pod Dongle: included (needed if used with Logi Rally Mic Pods).

  5. Mounting parts (included).

  6. In configurations where a Mic Pod Hub is connected to Sight, a user supplied CAT6A shielded female to female adapter is needed.

Reminder: Sight requires both a connection to Rally Bar or Rally Bar Mini and to a PoE+ power source.

Dual Sight daisy chain requirements

Dual Sight daisy chain requires CollabOS 1.15 or greater.

Known Issues

In a dual Sight deployment using CollabOS 1.15, the Rally Bar or Rally Bar Mini cannot update the software of the 2nd Sight device.  To update the 2nd Sight device, temporarily connect it directly to the Rally Bar or Rally Bar Mini using the Sight host dongle.

Sight ports

On the bottom of the Sight there are three (3) RJ45 ports for connecting to:

  • 802.3at PoE+ power

  • To Rally Mic Pods via the Mic Pod Dongle, or the 2nd Sight in a dual Sight daisy-chain deployment

  • Host system via the Sight host dongle, or the 1st Sight in a dual Sight daisy-chain deployment

(A) Connects to 802.3at Type 2 PoE+ (30W)

(B) Optionally connects to a Mic Pod Dongle (if used with Rally Mic Pods). In a dual Sight deployment, the 1st Sight device uses this port to connect to the 2nd Sight device.

(C) Connects to the Sight host dongle. In a dual Sight deployment, the 2nd Sight device uses this port to connect to the 1st Sight device. 

Basic wiring diagrams

Basic single Sight wiring with Rally Bar/Rally Bar Mini

Basic single Sight wiring with Rally Bar/Rally Bar Mini and Rally Mic Pods

 

Basic single Sight wiring with Rally Bar/Rally Bar Mini and Rally Mic Pods and Mic Pod Hubs

Note: See here for the maximum number of Mic Pods and Hubs. 

Basic single Sight wiring with Rally/Rally Plus with computer at the Display Hub

Note: Using Sight with Rally or Rally Plus will be supported at a future date.

 

 

Basic single Sight wiring with Rally/Rally Plus with computer at the Table Hub

Note: Using Sight with Rally or Rally Plus will be supported at a future date.

 


Basic single Sight wiring with Rally/Rally Plus and Rally Mic Pods and Mic Pod Hubs

Note: Using Sight with Rally or Rally Plus will be supported at a future date.

Note: See here for the maximum number of Mic Pods and Hubs.

Basic dual Sight wiring with Rally Bar/Rally Bar Mini

Note: Requires CollabOS 1.15 or later

Basic dual Sight wiring with Rally Bar/Rally Bar Mini and Rally Mic Pods and Mic Pod Hubs

Note: Requires CollabOS 1.15 or later

Connecting Mic Pods

  1. Plug the Mic Pod cable into the Mic Pod Dongle.

  2. Swing the cable retention clip over the Mic Pod plug.

  3. Insert the Mic Pod Dongle into the appropriate RJ45 jack on the bottom of Sight.

Detailed Wiring diagrams

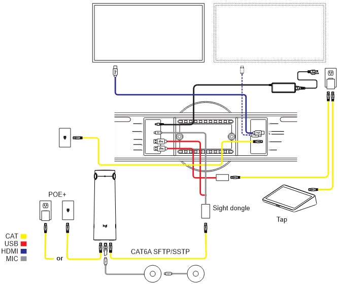
Detailed single Sight wiring with Rally Bar/Rally Bar Mini 

Detailed single Sight wiring with Rally Bar/Rally Bar Mini and Rally Mic Pods

Detailed single Sight wiring with Rally Bar/Rally Bar Mini and Rally Mic Pods and Mic Pod Hubs

Detailed single Sight wiring with Rally/Rally Plus with computer at the Table Hub

Note: Using Sight with Rally or Rally Plus will be supported at a future date.

 

AI translated ⓘ
This content was translated using AI and may contain errors. If you spot any, report them here.
Menu